Catálogo

Reactor de Entrada

Productos | 3 fases CA 480V, 50Hz/60Hz | 3 fases CA 690V, 50Hz/60Hz | Clase F | Aluminio | Cobre

Reactores de Entrada (ACL – AC Line Reactors)

Reactores Baja Tensión

Se colocan antes del rectificador, en la entrada de alimentación al VFD. Son la primera barrera contra problemas de calidad de energía.

Beneficios Técnicos:

  • Reducción significativa de los picos de corriente de arranque.
  • Atenuación de transitorios y sobretensiones provenientes de la red eléctrica.
  • Reducción de THDi en combinaciones con reactores DC y filtros

    armónicos (hasta un 70%).

  • Mayor protección al rectificador de entrada y menor desgaste térmico.
  • Protección NEMA (12, 3R, 4, 4X)

Opciones Disponibles:

  • Con aislamiento en aluminio o cobre.
  • Voltajes de operación: 400V / 690V

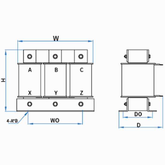
Dimensiones y Especificaciones

Voltaje del sistema: 3 fases CA 480V, 50Hz/60Hz
Clase de aislamiento del reactor: Clase F, Aluminio
REACTOR DE ENTRADA - 3 FASES CA 480V, 50HZ/60HZ - CLASE F, ALUMINIO
Modelo No. Imagen Rectificación de 6 pulsos Potencia (Kw) Corriente nominal (A) Inductancia (μH) Peso (Kg) Pérdida de línea (W) Pérdida en el núcleo (W) Dimensiones (mm) Empaque individual
W D H W0 D0 A*B Dimensión (W*D*H) (mm) Peso total (Kg)
SP-RE0035-4AL B 11 35 360 3.29 50 7 165 140 150 120 (95) 76 6*15 320*220*290 6.59
SP-RE0040-4AL 15 40 280 3.26 55 7 165 140 150 120 (95) 76 6*15 320*220*290 6.59
SP-RE0051-4AL 18.5 51 240 3.88 59 8 195 140 160 120 (95) 72 6*15 320*220*290 7.18
SP-RE0051-4AL 22 51 240 3.88 59 8 195 140 160 120 (95) 72 6*15 320*220*290 7.18
SP-RE0070-4AL 30 70 156 6.06 84 11 205 160 170 150 (120) 92 11*18 320*220*290 9.36
SP-RE0090-4AL 37 90 117 7.09 90 12 200 170 170 150 88 11*18 320*220*290 10.39
SP-RE0110-4AL 42 110 94 8.22 105 25 210 170 170 150 88 11*18 320*220*290 11.52
SP-RE0150-4AL 55 150 70 12.8 125 33 250 190 170 182 (150) 98 11*18 320*220*290 16.1
SP-RE0150-4AL 75 150 70 12.8 125 33 250 190 170 182 (150) 98 11*18 320*220*290 16.1
SP-RE0220-4AL 90 220 56 19.7 145 35 250 190 230 214 (182) 98 11*18 320*420*390 27.7
SP-RE0220-4AL 110 220 56 19.7 145 35 250 190 230 214 (182) 98 11*18 320*420*390 27.7
SP-RE0265-4AL 132 265 48 20.95 160 40 250 195 230 214 (182) 103 11*18 320*420*390 26.05
SP-RE0330-4AL 160 330 42 22.25 175 45 250 195 240 214 (182) 103 11*18 320*420*390 27.35
SP-RE0390-4AL 185 390 36 25.3 200 54 250 200 255 214 (182) 108 11*18 320*420*390 30.4
SP-RE0400-4AL C 200 400 32 32 225 60 290 230 290 243 125 11*18 320*420*390 37.1
SP-RE0450-4AL 220 450 28 31.9 240 65 290 230 300 243 125 12*20 420*450*390 38.1
SP-RE0500-4AL 250 500 27 35.9 265 75 290 230 300 243 140 12*20 420*450*390 42.1
SP-RE0500-4AL 280 500 27 35.9 265 75 290 230 300 243 140 12*20 420*450*390 42.1
SP-RE0580-4AL 315 580 24 38.65 290 78 290 250 300 243 140 12*20 530*370*450 48.05
SP-RE0660-4AL 355 660 20 40.1 285 75 290 250 300 243 12*20 9*18 530*370*450 51.9
SP-RE0840-4AL 450 840 17.5 48 315 87 320 290 325 260 135 15*25 530*370*450 57.4
SP-RE1000-4AL 500 1000 14 55 345 95 320 290 370 260 135 15*25 530*370*450 64.4

Dimensiones y Especificaciones

Voltaje del sistema: 3 fases CA 480V, 50Hz/60Hz
Clase de aislamiento del reactor: Clase F, Cobre
REACTOR DE ENTRADA - 3 FASES CA 480V, 50HZ/60HZ - CLASE F, COBRE
Modelo No. Imagen Rectificación de 6 pulsos Potencia (Kw) Corriente nominal (A) Inductancia (μH) Peso (Kg) Pérdida de línea (W) Pérdida en el núcleo (W) Dimensiones (mm) Empaque individual
W D H W0 D0 A*B Dimensión (W*D*H) (mm) Peso total (Kg)
SP-RE0005-4CU A 0.75 5 2800 1.5 13 5.7 100 80 110 40 48 7*11 180*150*220 3.5
SP-RE0005-4CU 1.5 5 2800 1.5 13 5.7 100 80 110 40 48 7*11 180*150*220 3.5
SP-RE0006-4CU 2.2 6 2800 1.5 13 5.7 100 80 110 40 48 7*11 180*150*220 3.5
SP-RE0014-4CU 4 14 1400 2.6 20.3 8.7 120 80 125 50 53 7*11 180*150*220 4.5
SP-RE0020-4CU 5.5 20 1080 2.8 20.3 9.7 120 80 125 50 53 7*11 180*150*220 5
SP-RE0025-4CU 7.5 25 876 2.8 30.8 9.6 120 80 125 50 53 7*11 180*150*220 5
SP-RE0032-4CU B 11 32 560 5.3 38.8 14.8 160 100 165 60 67 7*11 240*220*270 8.5
SP-RE0040-4CU 15 40 467 5.8 39.4 14.7 160 100 165 60 67 7*11 240*220*270 9
SP-RE0050-4CU C 18.5 50 350 6.2 69 21.1 190 110 160 80 67 7*11 240*220*270 9.5
SP-RE0060-4CU 22 60 310 6.2 58.2 20.7 190 110 160 80 67 7*11 240*220*270 9.5
SP-RE0070-4CU 30 70 234 8.9 60.1 30.9 190 130 160 80 87 7*11 240*220*270 12
SP-RE0080-4CU 37 80 187 9.5 65.2 30.3 190 130 160 80 87 7*11 240*220*270 12.5
SP-RE0100-4CU 45 100 155 10.2 72.9 29.4 190 130 160 80 87 7*11 240*220*270 13.5
SP-RE0130-4CU 55 130 128 15.2 128 56.3 240 160 220 110 85 9*18 320*270*330 19.5
SP-RE0160-4CU 75 160 93.4 17.2 124.5 54.3 240 160 220 110 85 9*18 320*270*330 21.5
SP-RE0190-4CU 90 190 78 21.1 139.9 67 240 175 220 110 100 9*18 320*270*330 25
SP-RE0225-4CU 110 225 64 22.5 158.5 66 240 175 220 110 100 9*18 320*270*330 26.5
SP-RE0265-4CU 132 265 54 29.4 166 91.9 270 185 265 140 110 9*18 316*266*383 34
SP-RE0320-4CU 160 320 44 31.7 184.5 90.8 270 185 265 140 110 9*18 316*266*383 36.5
SP-RE0400-4CU 185 400 35 38.9 182.5 113.5 310 205 280 170 110 11*18 396*296*443 44
SP-RE0400-4CU 200 400 35 38.9 182.5 113.5 310 205 280 170 110 11*18 396*296*443 44
SP-RE0485-4CU 220 485 29 51.6 209.7 119.8 310 230 280 170 135 11*18 396*296*443 56.5
SP-RE0485-4CU 250 485 29 51.6 209.7 119.8 310 230 280 170 135 11*18 396*296*443 56.5
SP-RE0550-4CU 280 550 26 53.7 231 120.1 310 230 280 170 135 11*18 396*296*443 59
SP-RE0610-4CU 315 610 23 57.9 228.6 117.4 310 230 280 170 135 11*18 396*296*443 63
SP-RE0800-4CU 355 800 17.5 82.2 345.1 202.7 370 260 375 190 135 13*26 466*356*528 89.5
SP-RE0800-4CU 400 800 17.5 82.2 345.1 202.7 370 265 375 190 135 13*26 466*356*528 89.5
SP-RE1000-4CU 450 1000 14 95 392.8 195.7 370 265 375 190 135 13*26 466*356*528 102
SP-RE1000-4CU 500 1000 14 95 392.8 195.7 370 265 375 190 135 13*26 466*356*528 102

Dimensiones y Especificaciones

Voltaje del sistema: 3 fases CA 690V, 50Hz/60Hz
Clase de aislamiento del reactor: Clase F, Cobre
REACTOR DE ENTRADA - 3 FASES CA 690V, 50HZ/60HZ - CLASE F, COBRE
Modelo No. Imagen Rectificación de 6 pulsos Potencia (Kw) Corriente nominal (A) Inductancia (μH) Peso (Kg) Pérdida de línea (W) Pérdida en el núcleo (W) Dimensiones (mm) Empaque individual
W D H W0 D0 A*B Dimensión (W*D*H) (mm) Peso total (Kg)
SP-RE0005-6CU A 0.75 5 5100 2.6 17.1 10 120 80 125 50 53 7*11 180*150*220 4.5
SP-RE0005-6CU 1.5 5 5100 2.6 17.1 10 120 80 125 50 53 7*11 180*150*220 4.5
SP-RE0006-6CU 2.2 6 5100 2.6 17.1 10 120 80 125 50 53 7*11 180*150*220 4.5
SP-RE0010-6CU 4 10 2550 2.8 31.5 10.2 120 80 125 50 53 7*11 180*150*220 5
SP-RE0015-6CU B 5.5 15 1700 5.4 32.7 17.3 160 130 190 60 37 7*11 240*220*270 8.5
SP-RE0020-6CU 7.5 20 1280 5.5 60.1 17.4 160 130 190 60 67 7*11 240*220*270 8.5
SP-RE0020-6CU 11 20 1280 5.5 60.1 17.4 160 130 190 60 67 7*11 240*220*270 8.5
SP-RE0030-6CU 15 30 850 8.7 50.1 30.4 190 165 220 80 87 7*11 320*270*330 13
SP-RE0030-6CU 18.5 30 850 8.7 50.1 30.4 190 165 220 80 87 7*11 320*270*330 13
SP-RE0045-6CU 22 45 565 13.3 85.3 48.5 240 160 190 110 85 9*18 320*270*330 17.5
SP-RE0045-6CU C 30 45 565 13.3 85.3 48.5 240 160 190 110 85 9*18 320*270*330 17.5
SP-RE0050-6CU 37 50 510 13.3 85.3 48.5 240 160 190 110 85 9*18 320*270*330 17.5
SP-RE0060-6CU 45 60 425 15.1 141.7 56.7 240 160 220 110 85 9*18 320*270*330 19
SP-RE0090-6CU 55 90 282 16.8 165.9 54.2 240 160 220 110 85 9*18 320*270*330 21
SP-RE0090-6CU 75 90 282 16.8 165.9 54.2 240 160 220 110 85 9*18 320*270*330 21
SP-RE0110-6CU 90 110 230 21.1 169.3 70.1 240 175 220 110 100 9*18 320*270*330 25
SP-RE0150-6CU 110 150 170 24.4 182.2 68 240 175 220 110 100 9*18 320*270*330 28.5
SP-RE0150-6CU D 132 150 170 24.4 182.2 68 185 265 140 110 270 9*18 316*266*383 28.5
SP-RE0200-6CU 160 200 128 33.6 178.5 99.9 270 190 275 140 110 9*18 316*266*383 38
SP-RE0200-6CU 185 200 128 33.6 178.5 99.9 270 190 275 140 110 9*18 316*266*383 38
SP-RE0250-6CU 200 250 102 37.9 207.9 95.4 270 190 275 140 110 9*18 316*266*383 42.5
SP-RE0250-6CU 220 250 102 37.9 207.9 95.4 310 200 280 170 110 11*18 396*443*443 42.5
SP-RE0300-6CU 250 300 85 44.6 202.1 129.2 310 200 280 170 110 11*18 396*443*443 49.5
SP-RE0300-6CU 280 300 85 44.6 202.1 129.2 310 200 280 170 110 11*18 396*443*443 49.5
SP-RE0400-6CU 315 400 64 59.3 247.5 149.4 310 225 280 170 135 11*18 396*443*443 64.5
SP-RE0400-6CU 355 400 64 59.3 247.5 149.4 310 225 280 170 135 11*18 396*443*443 64.5
SP-RE0480-6CU 400 480 53 70.01 374 211.8 370 250 375 190 135 13*26 466*356*528 77
SP-RE0480-6CU 450 480 53 70.1 382.6 216.6 370 250 375 190 135 13*26 466*356*528 77
SP-RE0600-6CU 500 600 42.7 74.7 413.9 209.2 370 250 375 190 135 13*26 466*356*528 82
SP-RE0600-6CU 560 600 42.7 74.7 413.9 209.2 370 250 375 190 135 13*26 466*356*528 82
SP-RE0800-6CU E 630 800 32 100.5 503.8 351.7 440 290 410 240 175 14*28 486*381*558 108.5

Dimensiones y Especificaciones

Voltaje del sistema: 3 fases CA 690V, 50Hz/60Hz
Clase de aislamiento del reactor: Clase F, Aluminio
REACTOR DE ENTRADA - 3 FASES CA 690V, 50HZ/60HZ - CLASE F, ALUMINIO
Modelo No. Imagen Rectificación de 6 pulsos Potencia (Kw) Corriente nominal (A) Inductancia (μH) Peso (Kg) Pérdida de línea (W) Pérdida en el núcleo (W) Dimensiones (mm) Empaque individual
W D H W0 D0 A*B Dimensión (W*D*H) (mm) Peso total (Kg)
SP-RE0045-6AL C 22 45 565 12.7 72.1 47.7 240 160 190 110 85 9*18 320*270*330 17
SP-RE0045-6AL 30 45 565 12.7 72.1 47.7 240 160 190 110 85 9*18 320*270*330 17
SP-RE0050-6AL 37 50 510 12.7 72.1 47.7 240 160 190 110 85 9*18 320*270*330 17
SP-RE0060-6AL 45 60 425 14.7 96.2 56 240 160 220 110 85 9*18 320*270*330 19
SP-RE0090-6AL 55 90 282 16.3 118.4 51.9 240 160 220 110 85 9*18 320*270*330 20.5
SP-RE0090-6AL 75 90 282 16.3 118.4 51.9 240 160 220 110 85 9*18 320*270*330 20.5
SP-RE0110-6AL 90 110 230 20.4 123.4 68 240 175 220 110 100 9*18 320*270*330 24.5
SP-RE0150-6AL 110 150 170 21.5 180.8 65 235 175 225 110 100 9*18 320*270*330 25.5
SP-RE0150-6AL 132 150 170 21.5 180.8 65 235 175 225 110 100 9*18 320*270*330 25.5
SP-RE0200-6AL D 160 200 128 29.1 192.3 97.6 270 190 275 140 110 9*18 316*266*383 33.5
SP-RE0200-6AL 185 200 128 29.1 192.3 97.6 270 190 275 140 110 9*18 316*266*383 33.5
SP-RE0250-6AL 200 250 102 32.1 216.7 90.3 270 190 275 140 110 9*18 316*266*383 36.5
SP-RE0250-6AL 220 250 102 32.1 216.7 90.3 270 190 275 140 110 9*18 316*266*383 36.5
SP-RE0300-6AL 250 300 85 37.8 215.8 123.2 310 200 280 170 110 11*18 396*296*443 43
SP-RE0300-6AL 280 300 85 37.8 215.8 123.2 310 200 280 170 110 11*18 396*296*443 43
SP-RE0400-6AL 315 400 64 52.2 243.8 140.5 310 230 285 170 135 11*18 396*296*443 57.5
SP-RE0400-6AL 355 400 64 52.2 243.8 140.5 310 230 285 170 135 11*18 396*296*443 57.5
SP-RE0480-6AL 400 480 53 65.4 374 211.8 370 250 375 190 135 13*26 466*356*528 72.5
SP-RE0480-6AL 450 480 53 65.4 374 211.8 370 250 375 190 135 13*26 466*356*528 72.5
SP-RE0600-6AL 500 600 42.5 69.8 365 207.5 370 250 375 190 135 13*26 466*356*528 77
SP-RE0600-6AL 560 600 42.5 69.8 365 207.5 370 250 375 190 135 13*26 466*356*528 77
SP-RE0800-6AL E 630 800 32 96.5 452.6 348.4 440 290 410 240 175 14*28 486*381*558 103.5