Catálogo

Reactor DC

Productos | 3 fases CA 400V, 50Hz/60Hz | 3 fases CA 690V, 50Hz/60Hz | Clase F | Aluminio | Cobre

Reactores DC (DCL – DC Link Reactors)

Reactores Baja Tensión

Instalados entre el rectificador y el inversor dentro del VFD, estos reactores filtran la corriente continua y atenúan las ondulaciones (ripple) en el bus DC.

Beneficios Técnicos:

  • Reducción del THDi (índice de distorsión armónica total de corriente) en la línea de alimentación.
  • Mejora el factor de potencia al suavizar los pulsos de corriente de entrada.
  • Aumenta la vida útil de los capacitores del bus DC, reduciendo su temperatura y estrés.
  • Protege el inversor contra fallas de corriente de entrada.

Aplicaciones Recomendadas:

  • Sistemas con múltiples VFDs.

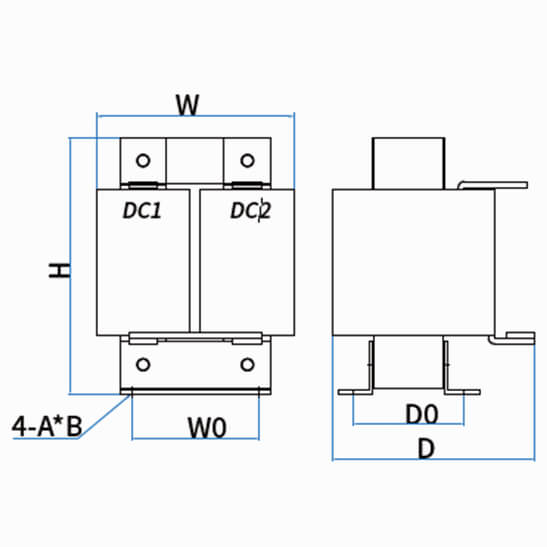
Dimensiones y Especificaciones

Voltaje del sistema: 3 fases CA 400V, 50Hz/60Hz
Clase de aislamiento del reactor: Clase F, Aluminio
REACTOR DC - 3 FASES CA 400V, 50HZ/60HZ - CLASE F, ALUMINIO
Modelo No. Imagen Potencia del VFD (kW) Corriente nominal (A) Inductancia (μH) Peso neto (Kg) Pérdida de línea (W) Pérdida en el núcleo (W) Dimensiones (mm) Empaque individual
W D H W0 D0 A*B Dimensión (W*D*H) (mm) Peso total (Kg)
SP-RDC0100-4AL A 37 100 540 9.78 113 14 150 180 195 125 105 10*20 320*220*290 13.08
SP-RDC0125-4AL 40 125 450 10.25 120 15 150 160 195 125 90 9*18 320*220*290 13.55
SP-RDC0160-4AL 55 160 360 12 147 18 150 180 200 125 105 10*20 320*220*290 15.3
SP-RDC0210-4AL B 75 210 330 12.5 229 29 150 180 215 130 (100) 98 10*20 320*220*290 15.8
SP-RDC0210-4AL 90 210 330 12.5 229 29 150 180 215 130 (100) 98 10*20 320*220*290 15.8
SP-RDC0255-4AL 110 255 260 22.6 227 28 200 200 255 176 115 11*18 320*420*390 27.7
SP-RDC0300-4AL 132 300 260 24.85 222 28 200 200 255 176 115 11*18 *420*390 29.95
SP-RDC0365-4AL 160 365 170 23.8 278 35 220 205 255 176 115 11*18 320*420*390 30
SP-RDC0455-4AL 185 455 90 26 288 36 215 220 280 191 117 11*18 320*420*390 32.2
SP-RDC0455-4AL 200 455 90 26 288 36 215 220 280 191 117 11*18 320*420*390 32.2
SP-RDC0505-4AL 220 505 60 27 269 34 215 220 280 191 117 11*18 420*450*390 33.2
SP-RDC0550-4AL 250 550 500 30.5 263 33 215 220 280 191 127 11*18 420*450*390 36.7
SP-RDC0675-4AL 280 675 50 30.5 323 40 215 220 280 191 127 11*18 420*450*390 36.7
SP-RDC0675-4AL 315 675 50 30.5 323 40 215 220 280 191 127 11*18 420*450*390 36.7
SP-RDC0810-4AL 355 810 50 46 405 51 250 245 320 200 144 11*18 420*450*450 58
SP-RDC0810-4AL 400 810 50 46 405 51 250 245 320 200 144 11*18 420*450*450 58
SP-RDC01000-4AL 450 1000 50 57 569 71 250 280 360 200 146 11*18 420*450*450 69
SP-RDC01000-4AL 500 1000 50 57 569 71 250 280 360 200 146 11*18 420*450*450 69

Dimensiones y Especificaciones

Voltaje del sistema: 3 fases CA 400V, 50Hz/60Hz
Clase de aislamiento del reactor: Clase F, Cobre
REACTOR DC - 3 FASES CA 400V, 50HZ/60HZ - CLASE F, COBRE
Modelo No. Imagen Potencia del VFD (kW) Corriente nominal (A) Inductancia (μH) Peso (Kg) Pérdida de línea (W) Pérdida en el núcleo (W) Dimensiones (mm) Empaque individual
W D H W0 D0 A*B Dimensión (W*D*H) (mm) Peso total (Kg)
SP-RDC0095-4CU B 37 95 630 10.1 77.5 4.9 160 140 190 105 75 7*14 240*220*270 13
SP-RDC0125-4CU 45 125 540 13.5 77.1 6.8 165 170 225 115 95 7*14 320*270*330 17.5
SP-RDC0145-4CU 55 145 450 14.5 83.4 6.5 170 170 225 115 95 7*14 320*270*330 18.5
SP-RDC0185-4CU 75 185 330 16.6 116.2 6.4 175 175 225 115 95 7*14 320*270*330 21
SP-RDC0220-4CU 90 220 270 20.8 135.2 9.3 220 180 250 135 100 9*18 316*266*383 25.5
SP-RDC0260-4CU 110 260 230 22.6 150.4 9.1 220 190 250 135 100 9*18 316*266*383 27
SP-RDC0320-4CU 132 320 180 27.2 132.5 11.3 220 200 250 135 110 9*18 316*266*383 32
SP-RDC0390-4CU 160 390 140 29.1 149.6 12.4 220 210 250 135 115 9*18 316*266*383 33.5
SP-RDC0480-4CU 185 480 110 33.2 164.2 13.9 220 220 250 135 125 9*18 316*266*383 38
SP-RDC0480-4CU 200 480 110 33.2 164.2 13.9 220 220 250 135 125 9*18 316*266*383 38
SP-RDC0580-4CU C 220 580 90 39.7 188.5 16.7 245 225 285 150 140 9*18 396*296*443 45
SP-RDC0580-4CU 250 580 90 39.7 188.5 16.7 245 225 285 150 140 9*18 396*296*443 45
SP-RDC0740-4CU 280 740 70 47.3 219.4 15.4 245 265 290 150 140 9*18 396*296*443 52.5
SP-RDC0740-4CU 315 740 70 47.3 219.4 15.4 245 265 290 150 140 9*18 396*296*443 52.5
SP-RDC1000-4CU 355 1000 51 56.1 362.2 23.1 280 255 380 165 140 9*18 466*356*528 63
SP-RDC1000-4CU 400 1000 51 56.1 362.2 23.1 280 255 380 165 140 9*18 466*356*528 63
SP-RDC1200-4CU 450 1200 40 61.7 368.2 27.9 280 280 380 165 155 9*18 466*356*528 69
SP-RDC1200-4CU 500 1200 40 61.7 368.2 27.9 280 280 380 165 155 9*18 466*356*528 69

Dimensiones y Especificaciones

Voltaje del sistema: 3 fases CA 690V, 50Hz/60Hz
Clase de aislamiento del reactor: Clase F, Aluminio
REACTOR DC - 3 FASES CA 690V, 50HZ/60HZ - CLASE F, ALUMINIO
Modelo No. Imagen Potencia del VFD (kW) Corriente nominal (A) Inductancia (μH) Peso (Kg) Pérdida de línea (W) Pérdida en el núcleo (W) Dimensiones (mm) Empaque individual
W D H W0 D0 A*B Dimensión (W*D*H) (mm) Peso total (Kg)
SP-RDC0045-6AL B 22 45 1800 6.5 49.7 5.7 155 130 190 105 65 7*14 240*220*270 9.5
SP-RDC0050-6AL 30 50 1800 6.9 54.5 5.4 155 130 190 105 65 7*14 240*220*270 10
SP-RDC0080-6AL 37 80 700 7 44.3 5.8 160 130 190 105 65 7*14 240*220*270 10
SP-RDC0080-6AL 45 80 700 7 45.8 4.9 160 130 190 105 65 7*14 240*220*270 10
SP-RDC0080-6AL 55 80 700 7 50.3 5.4 160 130 190 105 65 7*14 240*220*270 10
SP-RDC0165-6AL 75 165 350 19.7 56 5.2 220 185 250 135 110 9*18 316*266*383 24.5
SP-RDC0165-6AL 90 165 350 19.7 62.3 5.6 220 185 250 135 110 9*18 316*266*383 24.5
SP-RDC0165-6AL 110 165 350 19.7 90.6 7 220 185 250 135 110 9*18 316*266*383 24.5
SP-RDC0265-6AL 132 265 230 24.5 102 12.6 220 205 250 135 125 9*18 316*266*383 29
SP-RDC0265-6AL 160 265 230 24.5 102.2 19.5 220 205 250 135 125 9*18 316*266*383 29
SP-RDC0265-6AL 185 265 230 24.5 105.5 19.5 220 205 250 135 125 9*18 316*266*383 29
SP-RDC0330-6AL 200 330 180 25.6 106.8 16.7 220 210 250 135 125 9*18 316*266*383 30
SP-RDC0330-6AL 220 330 180 25.6 108.8 19.7 220 210 250 135 125 9*18 316*266*383 30
SP-RDC0330-6AL 250 330 180 25.6 117.9 17.3 220 210 250 135 125 9*18 316*266*383 30
SP-RDC0475-6AL C 280 475 114 31.8 118.2 18.3 250 235 285 150 140 9*18 396*296*443 37
SP-RDC0475-6AL 315 475 114 31.8 156 21.9 250 235 285 150 140 9*18 396*296*443 37
SP-RDC0475-6AL 355 475 114 31.8 164.7 25 250 235 285 150 140 9*18 396*296*443 37
SP-RDC0600-6AL 400 600 113 35 164.1 18.1 250 245 285 150 140 9*18 396*296*443 40
SP-RDC0600-6AL 450 600 113 35 166.1 20.8 250 245 285 150 140 9*18 396*296*443 40
SP-RDC0750-6AL 500 750 80 45.4 172.6 26.5 280 265 380 165 140 9*18 466*356*528 52.5
SP-RDC0750-6AL 560 750 80 45.4 219.8 36 280 265 380 165 140 9*18 466*356*528 52.5
SP-RDC0805-6AL 630 805 80 45.4 258.3 33.2 280 265 380 165 140 9*18 466*356*528 52.5

Dimensiones y Especificaciones

Voltaje del sistema: 3 fases CA 690V, 50Hz/60Hz
Clase de aislamiento del reactor: Clase F, Cobre
REACTOR DC - 3 FASES CA 400V, 50HZ/60HZ - CLASE F, COBRE
Modelo No. Imagen Potencia (Kw) Corriente nominal (A) Inductancia (μH) Peso (Kg) Pérdida de línea (W) Pérdida en el núcleo (W) Dimensiones (mm) Empaque individual
W D H W0 D0 A*B Dimensión (W*D*H) (mm) Peso total (Kg)
SP-RDC0045-6CU B 22 45 1800 7.1 40 5.7 150 130 190 105 65 7*14 240*220*270 10
SP-RDC0050-6CU 30 50 1800 7.1 48.1 5.5 150 130 190 105 65 7*14 240*220*270 10
SP-RDC0080-6CU 37 80 700 7.9 36.1 5.8 155 130 190 105 65 7*14 240*220*270 11
SP-RDC0080-6CU 45 80 700 7.9 41.3 4.9 155 130 190 105 65 7*14 240*220*270 11
SP-RDC0080-6CU 55 80 700 7.9 45.9 5.4 155 130 190 105 65 7*14 240*220*270 11
SP-RDC0165-6CU 75 165 350 21 52.7 5.4 220 180 250 135 110 9*18 316*266*383 25.5
SP-RDC0165-6CU 90 165 350 21 54.2 5.8 220 180 250 135 110 9*18 316*266*383 25.5
SP-RDC0165-6CU 110 165 350 21 90.9 13.6 220 180 250 135 110 9*18 316*266*383 25.5
SP-RDC0265-6CU 132 265 230 26.4 92 12.7 220 205 250 135 125 9*18 316*266*383 31
SP-RDC0265-6CU 160 265 230 26.4 95.4 19.6 220 205 250 135 125 9*18 316*266*383 31
SP-RDC0265-6CU 185 265 230 26.4 97.3 19.7 220 205 250 135 125 9*18 316*266*383 31
SP-RDC0330-6CU 200 330 180 28.3 105.8 16.8 220 205 250 135 125 9*18 316*266*383 33
SP-RDC0330-6CU 220 330 180 28.3 103.1 19.8 220 205 250 135 125 9*18 316*266*383 33
SP-RDC0330-6CU 250 330 180 28.3 105.8 17.6 220 205 250 135 125 9*18 316*266*383 33
SP-RDC0475-6CU C 280 475 114 36.5 112.1 18.5 245 225 285 150 140 9*18 396*296*443 41.5
SP-RDC0475-6CU 315 475 114 36.5 144.8 22.2 245 225 285 150 140 9*18 396*296*443 41.5
SP-RDC0475-6CU 355 475 114 36.5 154.9 25.5 245 225 285 150 140 9*18 396*296*443 41.5
SP-RDC0600-6CU 400 600 113 42.6 146.5 18.5 245 235 285 150 140 9*18 396*296*443 47.5
SP-RDC0600-6CU 450 600 113 42.6 151.8 21.3 245 235 285 150 140 9*18 396*296*443 47.5
SP-RDC0750-6CU 500 750 80 51.3 161.2 27.4 280 255 380 165 140 9*18 466*356*528 58.5
SP-RDC0750-6CU 560 750 80 51.3 214.1 26.8 280 255 380 165 140 9*18 466*356*528 58.5
SP-RDC0805-6CU 630 805 80 51.3 246.9 33.8 280 255 380 165 140 9*18 466*356*528 58.5

Documentación técnica