Catálogo

Reactor de Salida

Productos | 3 fases CA 400V, 50Hz/60Hz | 3 fases CA 690V, 50Hz/60Hz | Clase F | Aluminio | Cobre

Reactores de Salida (OCL – Output Reactors)

Reactores Baja Tensión

Función Principal:

Conectados entre el inversor y el motor, protegen el motor ante las formas de onda PWM generadas por el VFD.

Beneficios Técnicos:

  • Disminuyen el efecto de reflexión de voltaje (dv/dt), evitando sobretensiones dañinas.
  • Permiten el uso de cables largos entre VFD y motor (hasta 450 m).
  • Disminuyen el calentamiento del motor y el desgaste de su aislamiento.
  • Ayudan a reducir el ruido audible en motores. 

Aplicaciones Recomendadas:

  • Motores con cableado extenso.
  • Equipos de bombeo y ventilación en edificios grandes o zonas industriales.

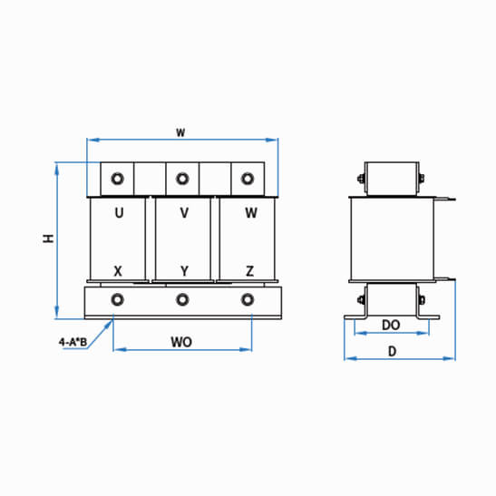
Dimensiones y Especificaciones

Voltaje del sistema: 3 fases CA 400V, 50Hz/60Hz
Clase de aislamiento del reactor: Clase F, Aluminio
REACTOR DE SALIDA - 3 FASES CA 400V, 50HZ/60HZ - CLASE F, ALUMINIO
Modelo No. Imagen Frecuencia de conmutación (KHz) Potencia nominal (KW) Corriente nominal (A) Inductancia (μH) Peso (Kg) Pérdida de línea (W) Pérdida en el núcleo (W) Dimensiones (mm) Empaque individual
W D H W0 D0 A*B Dimensión (W*D*H) (mm) Peso total (Kg)
SP-RS0035-4AL B 4 15 35 230 3.52 45 11 170 130 160 120 (95) 63 6*15 320*220*290 6.82
SP-RS0040-4AL 4 18.5 40 190 3.4 50 12 170 130 160 120 (95) 76 6*15 320*220*290 6.7
SP-RS0050-4AL 4 22 50 160 5.06 50 12 195 140 170 120 72 8.5*20 320*220*290 8.36
SP-RS0060-4AL 4 30 60 110 5.25 60 14 195 140 170 120 (95) 72 8.5*20 320*220*290 8.55
SP-RS0075-4AL 4 37 75 90 5.57 65 14 210 140 170 120 (95) 72 8.5*20 320*220*290 8.87
SP-RS0092-4AL 4 45 92 75 6.36 77 15 215 160 195 150 83 11*18 320*220*290 9.66
SP-RS0115-4AL 4 55 115 60 8.17 89 21 210 170 170 150 88 11*18 320*220*290 11.47
SP-RS0150-4AL C 4 75 150 46 12.29 95 23 250 190 235 182 (150) 98 11*18 320*220*290 15.59
SP-RS0220-4AL 4 90 220 30 18.8 100 25 250 190 235 214 (182) 98 11*18 320*420*390 23.9
SP-RS0220-4AL 4 110 220 30 18.8 100 25 250 190 235 214 (182) 98 11*18 320*420*390 23.9
SP-RS0265-4AL 4 132 265 24 19.19 120 30 250 190 240 214 (182) 108 11*18 320*420*390 24.29
SP-RS0330-4AL 4 160 330 21 20 145 30 250 190 240 214 (182) 1038 11*18 420*450*390 26.2
SP-RS0400-4AL 4 185 400 17 21.6 165 35 250 200 240 214 (182) 1038 11*18 420*450*390 27.8
SP-RS0400-4AL 4 200 400 17 21.6 165 35 250 200 240 214 (182) 108 11*18 420*450*390 27.8
SP-RS0450-4AL 4 220 450 15 28 175 35 295 230 255 243 125 12*20 420*450*390 34.2
SP-RS0500-4AL 4 250 500 13 32.8 190 40 295 250 255 243 140 12*20 530*370*450 42.2
SP-RS0560-4AL 4 280 560 12 35.3 220 45 295 250 255 243 140 12*20 530*370*450 44.7
SP-RS0660-4AL 4 315 660 10.5 38.05 270 45 295 260 290 243 140 12*20 530*370*450 47.45
SP-RS0660-4AL 4 355 660 10.5 38.05 270 45 295 260 290 243 140 12*20 530*370*450 47.45
SP-RS0720-4AL 4 400 720 9.5 50 298 57 295 260 305 243 140 12*20 530*370*450 59.4
SP-RS0820-4AL 4 450 820 8.7 55 308 67 320 280 340 260 135 15*25 530*370*450 64.4
SP-RS1000-4AL 4 500 1000 7.5 55 310 70 320 280 370 260 135 15*25 530*370*450 64.4

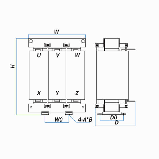
Dimensiones y Especificaciones

Voltaje del sistema: 3 fases CA 400V, 50Hz/60Hz
Clase de aislamiento del reactor: Clase F, Cobre
REACTOR DE SALIDA - 3 FASES CA 400V, 50HZ/60HZ - CLASE F, COBRE
Modelo No. Imagen Frecuencia de conmutación (KHz) Potencia nominal (KW) Corriente nominal (A) Inductancia (μH) Peso (Kg) Pérdida de línea (W) Pérdida en el núcleo (W) Dimensiones (mm) Empaque individual
W D H W0 D0 A*B Dimensión (W*D*H) (mm) Peso total (Kg)
SP-RS00054CU A 8 0.75 5 1400 2.6 18.2 8.5 100 80 110 40 48 7*11 180*150*220 4.5
SP-RS00054CU 8 1.5 5 1400 2.6 18.2 8.5 100 80 110 40 48 7*11 180*150*220 4.5
SP-RS0006-4CU 8 2.2 6 1400 2.6 18.2 8.5 100 80 110 40 48 7*11 180*150*220 4.5
SP-RS0010-4CU 8 4 10 700 3 21.9 7.9 120 80 125 50 53 7*11 180*150*220 5
SP-RS0014-4CU B 8 5.5 14 540 5.2 19.2 12.6 120 80 125 50 53 7*11 240*220*270 8.5
SP-RS0020-4CU 8 7.5 20 350 5.2 29.1 11.8 120 80 125 50 53 7*11 240*220*270 8.5
SP-RS0025-4CU 8 11 25 230 5.9 32.5 12.1 160 100 165 60 67 7*11 240*220*270 9
SP-RS0032-4CU 4 15 32 233 5.6 39.4 24.5 160 100 165 60 67 7*11 240*220*270 8.5
SP-RS0040-4CU C 4 18.5 40 175 5.8 69 29.5 190 110 160 80 67 7*11 240*220*270 9
SP-RS0045-4CU 4 22 45 155 6.2 58.2 27.8 190 110 160 80 67 7*11 240*220*270 9.5
SP-RS0060-4CU 4 30 60 117 8.8 55 46.8 190 130 160 80 87 7*11 240*220*270 12
SP-RS0075-4CU 4 37 75 93.5 9.2 53.8 51.5 190 130 160 80 87 7*11 240*220*270 12.5
SP-RS0100-4CU 4 45 100 78.5 9.8 59.9 48.3 190 130 160 80 87 7*11 240*220*270 13
SP-RS0120-4CU 4 55 120 64 15 114.4 76.7 240 160 220 110 85 9*18 320*270*330 20
SP-RS0150-4CU 2 75 150 46.7 15.9 145 69 240 160 220 110 85 9*18 320*270*330 20
SP-RS0180-4CU 2 90 180 39 20.3 135.3 86.3 240 175 220 110 100 9*18 320*270*330 24.5
SP-RS0220-4CU D 2 110 220 32 21.8 138.6 80 240 175 220 110 100 9*18 320*270*330 26
SP-RS0260-4CU 2 132 260 27 27.7 173.6 114.1 270 185 265 140 110 9*18 316*266*383 32.5
SP-RS0320-4CU 2 160 320 22 29.6 179.4 106.5 270 185 265 140 110 9*18 316*266*383 34
SP-RS0400-4CU 2 185 400 1.5 35.5 183.1 135.6 310 205 280 170 110 11*18 396*296*443 40.5
SP-RS0400-4CU 2 200 400 17.5 35.5 183.11 135.6 310 205 280 170 110 11*18 396*296*443 40.5
SP-RS0480-4CU 2 220 480 14.5 47.7 194.8 150.2 310 230 280 170 135 11*18 392*296*443 53
SP-RS0480-4CU 2 250 480 14.5 47.7 194.8 150.2 310 230 280 170 135 11*18 392*296*443 53
SP-RS0540-4CU 2 280 540 13 49.3 208.2 145.2 310 230 280 170 135 11*18 396*296*443 54.5
SP-RS0600-4CU 2 315 600 11.7 52.4 197.8 139 310 230 280 170 135 11*18 396*296*443 57.5
SP-RS0800-4CU 2 355 800 8.75 69.4 349.4 258.7 370 260 375 190 135 13*26 466*356*528 76.5
SP-RS0800-4CU 2 400 800 8.75 69.4 349.4 258.7 370 265 375 190 135 13*26 466*356*528 76.5
SP-RS1000-4CU 2 450 1000 7 74.3 350.2 239.3 370 265 375 190 135 13*26 466*356*528 81.5
SP-RS1000-4CU 2 500 1000 7 74.3 350.2 239.3 370 265 375 190 135 13*26 466*356*528 81.5

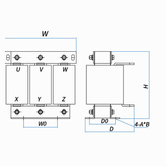
Dimensiones y Especificaciones

Voltaje del sistema: 3 fases CA 690V, 50Hz/60Hz
Clase de aislamiento del reactor: Clase F, Cobre
REACTOR DE SALIDA - 3 FASES CA 690V, 50HZ/60HZ - CLASE F, COBRE
Modelo No. Imagen Frecuencia de conmutación (KHz) Potencia nominal (KW) Corriente nominal (A) Inductancia (μH) Peso (Kg) Pérdida de línea (W) Pérdida en el núcleo (W) Dimensiones (mm) Empaque individual
W D H W0 D0 A*B Dimensión (W*D*H) (mm) Peso total (Kg)
SP-RS0005-6CU B 8 0.75 5 2540 5 20.7 12 120 130 190 60 67 7*11 240*220*270 8
SP-RS0005-6CU 8 1.5 5 2540 5 20.7 12 120 130 190 60 67 7*11 240*220*270 8
SP-RS0005-6CU 8 2.2 5 2540 5 20.7 12 120 130 190 60 67 7*11 240*220*270 8
SP-RS0006-6CU 8 4 6 2540 5 20.7 12 120 130 190 60 67 7*11 240*220*270 8
SP-RS0011-6CU 8 5.5 11 1280 5.2 35 12.5 160 130 190 60 67 7*11 240*220*270 8.5
SP-RS0020-6CU 8 11 20 640 6.2 37 11.9 160 130 190 60 67 7*11 240*220*270 9.5
SP-RS0020-6CU 8 15 20 640 6.2 37 11.9 190 130 190 60 67 7*11 240*220*270 9.5
SP-RS0030-6CU 4 18.5 30 425 10.4 48.7 47.4 190 165 220 80 87 7*11 320*270*330 14.5
SP-RS0045-6CU 4 22 45 255 13.2 79.2 74.5 240 160 190 110 85 9*18 320*270*330 17.5
SP-RS0045-6CU C 4 30 45 255 13.2 79.2 74.5 240 160 190 110 85 9*18 320*270*330 17.5
SP-RS0045-6CU 4 30 37 45 13.2 79.2 74.5 240 160 190 110 85 9*18 320*270*330 17.5
SP-RS0060-6CU 4 45 60 212 15 131 81 240 160 220 110 85 9*18 320*270*330 19
SP-RS0090-6CU 4 55 90 141 16.4 143.7 79.1 240 160 220 110 85 9*18 320*270*330 20.5
SP-RS0090-6CU 2 75 90 141 16.4 143.7 79.1 240 160 220 110 85 9*18 320*270*330 20.5
SP-RS0110-6CU 2 90 110 115 20.8 154.4 90.4 240 175 220 110 100 9*18 320*270*330 25
SP-RS0150-6CU 2 110 150 85 22.6 169.9 94.3 240 175 220 110 100 9*18 320*270*330 26.5
SP-RS0150-6CU 2 132 150 85 22.6 169.9 94.3 240 175 220 110 100 9*18 320*270*330 26.5
SP-RS0200-6CU D 2 160 200 64 32.8 162.2 112.2 270 190 275 140 110 9*18 316*266*383 37.5
SP-RS0200-6CU 2 185 200 64 32.8 162.2 112.2 270 190 275 140 110 9*18 316*266*383 37.5
SP-RS0250-6CU 2 200 250 51 36.6 188.4 100 270 190 275 140 110 9*18 316*266*383 41.5
SP-RS0250-6CU 2 220 250 51 36.6 188.4 100 270 190 275 140 110 9*18 316*266*383 41.5
SP-RS0300-6CU 2 250 300 42.5 41.1 198.4 138.1 310 200 280 170 110 11*18 396*296*443 46
SP-RS0300-6CU 2 280 300 42.5 41.1 198.4 138.1 310 200 280 170 110 11*18 396*296*443 46
SP-RS0400-6CU 2 315 400 32 55.2 230.1 159.3 310 225 280 170 135 11*18 392*296*443 60.5
SP-RS0400-6CU 2 355 400 3 55.2 230.1 159.3 310 225 280 170 135 11*18 396*296*443 60.5
SP-RS0480-6CU 2 400 480 26.5 74.4 324.8 233.1 370 250 375 190 135 13*26 466*356*528 81.5
SP-RS0480-6CU 2 450 480 26.5 74.4 324.8 233.1 370 250 375 190 135 13*26 466*356*528 81.5
SP-RS0600-6CU 2 500 600 21.3 81.4 349.7 210.8 370 250 375 190 135 13*26 466*356*528 88.5
SP-RS0600-6CU 2 560 600 21.3 81.4 349.7 210.8 370 250 375 190 135 13*26 466*356*528 88.5
SP-RS0800-6CU E 2 630 800 16 109.7 505.2 231.8 440 290 410 240 175 14*28 486*381*558 118

Dimensiones y Especificaciones

Voltaje del sistema: 3 fases CA 690V, 50Hz/60Hz
Clase de aislamiento del reactor: Clase F, Aluminio
REACTOR DE SALIDA - 3 FASES CA 690V, 50HZ/60HZ - CLASE F, ALUMINIO
Modelo No. Imagen Frecuencia de conmutación (KHz) Potencia nominal (KW) Corriente nominal (A) Inductancia (μH) Peso (Kg) Pérdida de línea (W) Pérdida en el núcleo (W) Dimensiones (mm) Empaque individual
W D H W0 D0 A*B Dimensión (W*D*H) (mm) Peso total (Kg)
SP-RS0045-6AL C 4 22 45 255 12.7 67.7 72.5 240 160 190 110 85 9*18 320*270*330 17
SP-RS0045-6AL 4 30 45 255 12.7 67.7 72.5 240 160 190 110 85 9*18 320*270*330 17
P-RS0045-6AL 4 37 45 255 12.7 67.7 72.5 240 160 190 110 85 9*18 320*270*330 17
SP-RS0060-6AL 4 45 60 212 14.6 89.5 79.3 240 160 220 110 85 9*18 320*270*330 18.5
SP-RS0090-6AL 4 55 90 141 15.4 124.4 76 240 160 220 110 85 9*18 320*270*330 19.5
SP-RS0090-6AL 2 75 90 141 15.4 124.4 76 240 160 220 110 85 9*18 320*270*330 19.5
SP-RS0110-6AL 2 90 110 115 20.1 113.3 86 240 175 220 110 100 9*18 320*270*330 24
SP-RS0150-6AL 2 110 150 85 20.8 150.1 88.4 240 175 220 110 100 9*18 320*270*330 25
SP-RS0150-6AL 2 132 150 85 20.8 150.1 88.4 240 175 220 110 100 9*18 320*270*330 25
SP-RS0200-6AL 2 160 200 64 28.7 173.7 108.2 270 190 275 140 110 9*18 316*266*383 33.5
SP-RS0200-6AL 2 185 200 64 28.7 173.7 108.2 270 190 275 140 110 9*18 316*266*383 33.5
SP-RS0250-6AL D 2 200 250 51 36.8 209.1 93.4 270 190 275 140 110 9*18 316*266*383 41.5
SP-RS0250-6AL 2 220 250 51 36.8 209.1 93.4 270 190 275 140 110 9*18 316*266*383 41.5
SP-RS0300-6AL 2 250 300 42.5 36.8 190.2 127.5 310 200 280 170 110 11*18 396*296*443 42
SP-RS0300-6AL 2 280 300 42.5 36.8 190.2 127.5 310 200 280 170 110 11*18 396*296*443 42
SP-RS0400-6AL 2 315 400 32 48.9 234 149.5 310 225 280 170 135 11*18 392*296*443 54
SP-RS0400-6AL 2 355 400 32 48.9 234 149.5 310 225 280 170 135 11*18 396*296*443 54
SP-RS0480-6AL 2 400 480 26.5 68.8 315.3 226.6 370 250 375 190 135 13*26 466*356*528 76
SP-RS0480-6AL 2 450 480 26.5 68.8 315.3 226.6 370 250 375 190 135 13*26 466*356*528 76
SP-RS0600-6AL 2 500 600 21.3 71.1 395.5 203 370 250 375 190 135 13*26 466*356*528 78
SP-RS0600-6AL 2 560 600 21.3 71.1 395.5 203 370 250 375 190 135 13*26 466*356*528 78
SP-RS0800-6AL E 2 630 800 16 100.5 455.2 227.3 440 290 410 240 175 14*28 486*381*558 108.5